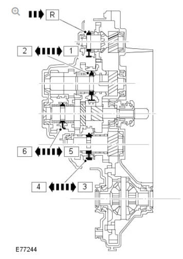
COMPONENT LOCATION
.jpg)
OVERVIEW
The ME66EH50 manual transmission is a 6 speed unit. The transmission is a highly compact 4 shaft design, incorporating the front final drive gear. The transmission is capable of transferring high torque from the engine to the driveline.
The transmission features two mechanical shift cables from the selector lever and lift latch reverse inhibitor.
The ME66EH50 manual transmission has the following features:
The clutch system used is a conventional type, with a single stage damped driven plate and a diaphragm spring clutch cover assembly. The clutch is hydraulically operated by depression of the clutch pedal which disengages the drive from the engine crankshaft to the transmission.
COMPONENT DESCRIPTION
For shift cable and selector lever description refer to External Controls.
For additional information, refer to: External Controls (308-06 Manual Transmission/Transaxle External Controls, Description and Operation).
.jpg)
Shift Control Mechanism
.jpg)
The transmission is operated by two shift cables which are attached to the selector lever. Movement of the selector lever is passed via the cables to two lever mechanisms on the top of the transmission. The levers operate a shift control mechanism within the transmission to select the requested gear ratio.
The shift control mechanism is located at the front of the transmission and transfers the shift cable movement into gear selections.
The shift control mechanism is a one-piece assembly which is retained in the transmission housing with 4 bolts. The shift control mechanism moves the upper and lower gear selector forks via the lateral and longitudinal levers on the top of the shift control mechanism. There are 2 upper selector forks and 2 lower selector forks as follows:
The 4 selector forks transfer movement from the shift control mechanism to the relevant shift coupling sleeve. The shift forks are mounted on rail bearings in the transmission case.
Two carrier plates transfer torque from the longitudinal lever to the sliding gear selectors. The carriers are located and run in a groove in the gear selector plate.
The carrier plates can move vertically between 4 positions. The different gears are selected from one of the 4 positions as follows:
The shift control mechanism has two springs that return the selector lever to the neutral position.
.jpg)
The above illustration shows the coupling sleeves for each gear cluster.
Movement of these sleeves as selected by the shift control mechanism, connect the required gear trains together to produce the required output ratio.
The coupling sleeve is part of the synchronizing hub assembly which also consists of a flange and the hub. Each synchronizing hub is joined to its shaft by splines and rotates with it. Idler wheels are fitted on both sides of each synchronizing hub. The idler wheels rotate freely on the shaft (with the exception of reverse gear). Each idler wheel is constantly engaged in its pinion. The synchronizing set is positioned between the synchronizing hub and the idler wheel.
The synchronizing units are positioned on the shafts in the transmission as follows:
The synchronizing rings expand when heated by the same amount as the components they are in contact with. As a result no safety margin is required to counter expansion. The idler wheels for single and double synchronization have no cones. An inner ring on the synchronizer unit performs this function instead.
SYSTEM OPERATION
TRANSMISSION GEAR CLUSTER
.jpg)
The gear wheels are located on four shafts, as follows:
In order to keep the shafts short, the clutch gears are welded directly to the idler wheel and needle bearings with inner rings are used instead of snap rings. The inner rings sit on the shaft inside the idler gears and extend lengthwise outside each idler gear. When the components on the shafts are pulled together the inner rings counterhold, so that the idler wheels have the clearance that they require to rotate. The components of the input shafts are pulled together with a bolt located in the end of the shaft.
Components of intermediate shaft 3rd -4th are held together with a press joint and a bolt located in the end of the shaft. The components of intermediate shaft 1st -2nd, 5th -6th are held together with the press joint of the 5th and 6th gear pinion.
1ST GEAR POWER FLOW
.jpg)
4. Ring gear
15. 1st gear
When 1st gear is selected, the coupling sleeve for 1st - 2nd gear is moved by a gear selector fork along the synchronizing hub towards the 1st gear idler gear. The coupling sleeve and the synchronizing hub lock the 1st gear idler gear at the intermediate shaft 1st - 2nd and 5th - 6th.
Engine torque is transferred to the input shaft via the clutch. The 1st gear rack on the input shaft transfers the power to the 1st gear idler gear. From there the power is transferred to the intermediate shaft 1st - 2nd and 5th - 6th and to the final drive, which in turn transfers power to the ring gear. The ring gear is connected to the drive shafts through the differential.
2ND GEAR POWER FLOW
.jpg)
14. 2nd gear
When 2nd gear is selected, the coupling sleeve for 1st - 2nd gear is moved by a gear selector fork along the synchronizing hub towards the 2nd gear idler gear. The coupling sleeve and the synchronizing hub lock the 2nd gear idler gear at the intermediate shaft 1st - 2nd and 5th - 6th.
Engine torque is transferred to the input shaft via the clutch. The 2nd gear rack on the input shaft transfers the power to the 2nd gear idler gear. From there the power is transferred to the intermediate shaft 1st - 2nd and 5th - 6th and to the final drive, which in turn transfers power to the ring gear. The ring gear is connected to the drive shafts through the differential.
3RD GEAR POWER FLOW
.jpg)
4. Ring gear
12. 3rd - 4th gear coupling sleeve
When 3rd gear is selected, the coupling sleeve for 3rd - 4th gear is moved by a gear selector fork along the synchronizing hub towards the 3rd gear idler gear. The coupling sleeve and the synchronizing hub lock the 3rd gear idler gear at the intermediate shaft 3rd - 4th.
Engine torque is transferred to the input shaft via the clutch. The 3rd gear rack on the input shaft transfers the power to the 3rd gear idler gear. From there the power is transferred to the intermediate shaft 3rd - 4th and to the final drive, which in turn transfers power to the ring gear. The ring gear is connected to the drive shafts through the differential.
4TH GEAR POWER FLOW
.jpg)
4. Ring gear
10. 4th gear idler gear
12. 3rd - 4th gear coupling sleeve
13. 4th gear
17. Final drive 3rd - 4th
When 4th gear is selected, the coupling sleeve for 3rd - 4th gear is moved by a gear selector fork along the synchronizing hub towards the 4th gear idler gear. The coupling sleeve and the synchronizing hub lock the 4th gear idler gear at the intermediate shaft 3rd - 4th.
Engine torque is transferred to the input shaft via the clutch. The 4th gear rack on the input shaft transfers the power to the 4th gear idler gear. From there the power is transferred to the intermediate shaft 3rd - 4th and to the final drive, which in turn transfers power to the ring gear. The ring gear is connected to the drive shafts through the differential.
5TH GEAR POWER FLOW
.jpg)
4. Ring gear
6. 5th gear
9. 5th - 6th gear coupling sleeve
11. 5th gear idler gear
20. Final drive 1st - 2nd and 5th - 6th
When 5th gear is selected, the coupling sleeve for 5th - 6th gear is moved by a gear selector fork along the synchronizing hub towards the 5th gear idler gear. The coupling sleeve and the synchronizing hub lock the 5th gear idler gear at the input shaft.
Engine torque is transferred to the input shaft via the clutch. The 5th - 6th coupling sleeve and 5th gear idler gear located on the input shaft, transfer the power to the 5th gear. From there the power is transferred to the intermediate shaft 1st - 2nd and 5th - 6th and to the final drive, which in turn transfers power to the ring gear. The ring gear is connected to the drive shafts through the differential.
6TH GEAR POWER FLOW
.jpg)
4. Ring gear
7. 6th gear
8. 6th gear idler gear
9. 5th - 6th gear coupling sleeve
20. Final drive 1st - 2nd and 5th - 6th
When 6th gear is selected, the coupling sleeve for 5th - 6th gear is moved by a gear selector fork along the synchronizing hub towards the 6th gear idler gear. The coupling sleeve and the synchronizing hub lock the 6th gear idler gear at the input shaft.
Engine torque is transferred to the input shaft via the clutch. The 5th - 6th coupling sleeve and 6th gear idler gear located on the input shaft, transfer the power to the 6th gear. From there the power is transferred to the intermediate shaft 1st - 2nd and 5th - 6th and to the final drive, which in turn transfers power to the ring gear. The ring gear is connected to the drive shafts through the differential.
REVERSE GEAR POWER FLOW
.jpg)
When reverse gear is selected, the coupling sleeve for reverse gear is moved by a gear selector fork along the synchronizing hub towards the reverse gear idler gear.
The coupling sleeve and synchronizing hub lock the reverse gear idler gear at the reverse shaft.
The torque of the engine is transferred via the clutch to the input shaft. The 1st gear on the input shaft transfers power to the 1st gear idler gear. The power is then transferred to the reverse gear idler gear and then to the reverse gear coupling sleeve. From there power is transferred to the intermediate shaft 1st - 2nd and 5th - 6th and to the final drive which in turn transfers power to the ring gear. The ring gear is connected to the drive shafts through the differential.
DIFFERENTIAL
The differential distributes drive from the transmission equally between the left and right front half shafts.
The differential is located at the rear of the transmission housing. Both sides of the differential are connected to the left and right drive shafts, supplying torque to the front wheels.
REVERSE SWITCH
The reverse switch is located in the front of the transmission casing, above the 1st gear position switch. The switch is used for reversing lamp operation.
1ST GEAR POSITION SWITCH
The 1st gear switch is located on the front of the transmission casing, below the reverse switch. It is used for hill descent control and the vehicle electronic park brake release strategy.
NEUTRAL GEAR SENSOR
A permanent magnet, contact -less displacement sensor is located on the exterior of the transmission casing and hardwired to the ECM (engine control module). The sensor's function is to detect that neutral gear has been selected within a calibrated window.
For additional information, refer to: Starting System (303-06A Starting System - TD4 2.2L Diesel, Description and Operation).
Manual Transmission - Transaxle
/ Diagnosis and Testing
Manual Transmission Transaxle
External Controls
Gearshift Cables (G1779360)
/ Removal and Installation
Manual Transmission - Transaxle
External Controls
Gearshift Lever (G1781378)
/ Removal and Installation
Side Panel Sheet
Metal Repairs 'B'
Pillar Outer
Panel (G1770904) - Removal
Roof Sheet Metal
Repairs Roof
Panel (G1770876)
- Removal